Heating makeover – step by step into the heat pump era

For a transition that actually works, the trick is to have 2 heat pumps.
Cheap night time electricity time shifted with your EV battery will halve your heating bills.
Energy prices compared for October 2022

Well it’s the hottest topic but what does it all really mean – a chart shows how many kW.hrs £1,000 gets you for each type of energy source. Electricity is now disproportionately the most expensive source of power and this leaves the Government drive for heat pumps in tatters. Just to tempt you … electricity is now 51.8p/kW.hr but you can still put heat into your house for under 3p/kW.hr. more
Hybrid heat pump
Heat pumps and P.V. together will save the planet. This simple hybrid is not only fairly cheap, it produces the best COP ever seen and still snaffles the top RHI grant. How? It selects the best from air or ground sources at any time, sometimes both at once. It even runs when it’s off! To find out how click here
==========================================
Property Crash coming soon
Your future, the next generation’s future and the future economy. It’s all clear on this population chart which shows how we got here and where we go next. One of those bars on the chart is you. Oh, and property is going to crash, but you can judge for yourself. more:
=======================================================
Homes and building – part one; construction
Poured concrete upper floors
This is the quick, low cost and easy way to make an immensely strong floor with added strength from integrated reinforced concrete beams. The moulds and shuttering are made from lovely wooden beams and a wood panelled ceiling. They are easy to put up and then you just leave them looking pretty – job done.
Floating staircase
Spectacular staircases don’t have to cost thousands. The Original Twist floating staircase is fairly easy to build with easily obtained parts. With lighting built into every step it looks a million dollars.
more:
Wall with fireplace
A fabulous fireplace with a wood burning stove is a definite selling feature for your newbuild house. Integrate it from the start to get interesting wall finishes and a major structural element without doing any extra work, and definitely no plastering.
Eco builders will want to plumb in the stove at this stage – Clearview of course.
more:
Wall finishes – no plaster
Plastering is not only expensive but can add delays to your project while you wait for the job to be done and for it to dry out, and then there’s endless painting. There will be times when you cover up the plastering making it a pointless expense. Here are some alternatives that add a bit of character to your home.
Magic disappearing table
No need for a dining room anymore. At the press of a button this large dining table just ….. hey where did that go? No really, it was there just seconds ago.
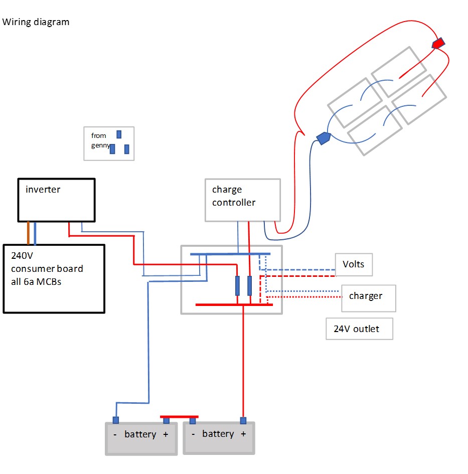
Off-grid for £2,240
Off-grid systems are more accessible with easily sourced second hand PV panels. These and an inline gas water heater give all the amenities needed to live comfortably off grid. Built a year ago this real example of the system has settled in well.
All the parts explained in detail.
PV – overclock and tilt
Add more panels and tilt them up for better system utility.
With no FITs the rules have changed. – Grid parity is here too so all the rules are changing.
more:
The OriginalTwist eco-house
The ‘Brexit’ might be designed for austerity but it still provides a comfortable, exciting and flexible living space.
=====================================================
Homes and building – part two; heating
Eco heating system
The ultimate heating system for the complete eco-house. Nothing else comes near to being so capable of integrating multiple energy sources, especially heat pumps and wood burners. Years of experience here so don’t build a house without reading this.
DIY heating system
So good you’ll find it is the only way to go. If you can connect 10 pipes to a tank then you can do your own heat bank based system. It’s not pressurised so anyone can install it. It’s not often that the best option is also the least expensive. See a real life case study here.
Heat pumps – air source or ground source
Ground source has a higher headline efficiency but that is not the whole picture. Air source heat pumps are at times much more efficient
and in value for money terms the best choice.
Air source heat pumps vs. a gas boiler … then there’s the renewable heat Incentive
Spoiler alert. A lot of analysis here but the bottom line is – get an ASHP, some PV panels and apply for the RHI.
======================================================
The heating blogs
Years worth of revelations on the strangely compelling world of heating and energy.
Eco-house delivered in a day
A modular eco-house concept where a perfectly good family home can be up and running on site in a day. Being factory made on the SIPS concept it is cheap too.
Cars
250 mph 3-wheeler
An amusing speculation but entirely possible
Hybrid 3-wheeler
A simple back to basics but innovative plug in hybrid with just about all the heavy and expensive bits discarded. Even the engine is cheap – as it should be, you last saw one in a lawn mower.
Honda GX engine for range extender
A bit more on the 3-wheeler engine. It’s light, it clips in, it goes in a shopping bag and a new one is around £500. There are masses of tuning parts available from the go-kart scene.
Structural panels for chassis construction
A strong construction technique for many things including our 3-wheeler. Like origami but super strong and intrinsically beautiful. It’s also fast and cheap to make with a CNC router which can handle any degree of repeatable complexity.
Plug- OUT hybrid car
Car meets Swiss army knife. A hybrid car is a portable power source so why not make it useful.
Fan car with ground tracking suction.
Like a go-cart under your car this ground tracking suction pad totally resets normal performance benchmarks. Massive downforce means you can forget all previous ideas of what is fast, we are talking dragster like acceleration with neck wrenching cornering and braking to match. Think reverse hovercraft and you’ll get the idea.
Electric and hydrogen car charger
A garage with enough PV power to charge your car and some for the house too. It rotates to track the sun and there is a room above for an office or a living pod. It will also turn your car round for you so saves space on the driveway.
Electric sports car 2020
This is what is possible so this is how it will eventually be. By 2020 the current crop of sports cars and even some supercars will be matched in performance by rather ordinary family cars. (now 2021 and Tesla have proved me right)
CNC router
Heavy chassis design
Big steel RSJs are strong and inexpensive. Here is an industrial sized CNC router design based on them and it includes a neat tool changer idea too. There’s no point in building a toy router when a big one can be built for the same price.
Slide boxes
These boxes in aluminium plate wrap around the RSJ beams.
The tool carrying box on the X axis supports a drive motor, the swivelling tool changer and a pair of Desoutter drills. A simpler pair of boxes support the Y axis.
CNC tool changer
Hung on the main slide box are two router motors and two Desoutter drills. The tilting head replaces the usual motors on hydraulic rams and is infinitely cheaper and simpler. This makes a versatile machine ready for some serious production.
Caterpillar drives
A speculative idea for making the equivalent of a rack and pinion drive for the CNC router using inexpensive toothed timing belts.
Computers
Simple silent PC
A lovely design based on some readily available aluminium extrusions. Heat pipes are optimally arranged on a huge heatsink and there are no moving parts at all. With sides of wood or marble this is a quiet beauty and a great DIY PC build.
Silent gaming PC
More use of the aluminium extrusions to make the ultimate silent gaming PC that you could build. Anything up to 22 vertically aligned heat pipes give enough cooling power to run practically anything. The vertical chimney design also promotes a cooling draught for components; yes what did the Romans ever do for us?
PC in a desk
Imagine looking through a glass desk to a tidy water cooled PC that you built yourself. Here’s a basis for something that could be made by any PC building enthusiast. The simple MDF case is made by incorporating the Corsair water cooler and the externally mounted power supply. All the latest components are priced and drawn out in 3D.
Toys for boys
Military drone
This mobile rotary launcher can deploy 5 drones a second; they glide out like Frizbees, deploy props and attack from 20 miles away. Just one launch vehicle can command an area of 1200 square miles. This is what military drones will be capable of – warfare will never be the same again.
N.B. No interest from the U.K. government so they must have something even better, though frankly I doubt it!
Talking Frizbee
Thanks to NXT technology a Frizbee doubles as a speaker for your phone or i-pad. You can also record a message and have it repeated when you throw it. With a built in solar charger this is the new ‘must have’ toy.
Bug-R-Off bug catcher gun
If you can’t bear to go near that spider or wasp this tool will suck it into a viewing chamber for easy disposal.
It can be set to remove humanely or …… well … not so much.
Modern canal boat
Why buy a house when you could live like this on the water. This boat has full eco-energy credentials with hybrid power and solar powered heating. Does it have a garage? Well yes, obviously. How else would you go shopping?




